1.系统用途
巅峰国际:
适用于扑救各类可燃、易燃液体和固体物质引起的火灾。具有灭火后不留痕迹、不导电、不污染物品、没有水渍损失、灭火效果好、价格低廉等优点。
巅峰国际:
1.1 适用场所
二氧化碳灭火系统可用于扑救下列火灾:
a. 灭火前可切断气源的气体火灾。
b. 液体火灾或石蜡、沥青等可熔化的固体火灾。
c. 固体表面火灾及棉花、织物、纸张等部分固体深位火灾。
d. 电器火灾。
二氧化碳灭火系统不得用于扑救下列火灾:
a. 硝化纤维、火药等含氧化剂的化学制品火灾。
b. 钾、钠、镁、钛、锆等活泼金属火灾。
c. 氢化钾、氢化钠等金属氢化物火灾。
适用场合:适用于图书、档案等珍贵资料库房、变配电室、通讯机房、飞机库、汽车库、船舱、中心控制室、轧机、印刷机、电站、浸渍油槽等场所的火灾保护。
二氧化碳灭火系统有两种应用方式,即:全淹没灭火系统和局部应用灭火系统。全淹没灭火系统应用于扑救封闭空间内的火灾,灭火剂均匀充满整个空间;局部应用灭火系统应用于扑救不需封闭空间条件的具体保护对象的非深位火灾,灭火剂直接喷射,持续一定时间。
巅峰国际:
1.2 主要技术参数

巅峰国际:
巅峰国际:
巅峰国际:
2.系统结构
巅峰国际:
灭火系统主要由自动报警灭火控制系统、灭火剂储瓶、瓶头阀、启动气体储瓶、电磁瓶头阀、选择阀、称重装置、单向阀、压力开关、框架、喷嘴、管道等设备组成。
巅峰国际:

二氧化碳灭火系统结构图
巅峰国际:
巅峰国际:
巅峰国际:
3.系统工作原理
巅峰国际:
对于系统不同的控制方式,其工作原理如下:
巅峰国际:
3.1 自动控制
将报警灭火控制器上控制方式选择键拨到“自动”位置时,灭火系统处于自动控制状态,当防护区发生火情,感烟探测器与感温探测器同时发出火灾信号,报警灭火控制器即发出声、光报警信号,同时发出联动指令,关闭联锁设备,经过一段延时时间,发出灭火指令,打开电磁瓶头阀释放启动气体,启动气体通过启动管道打开相应的选择阀和瓶头阀,释放灭火剂,实施灭火。
巅峰国际:
3.2 电气手动控制
将报警灭火控制器上控制方式选择建拨到“手动”位置时,灭火系统处于手动控制状态。当防护区发生火情,可按下手动控制盒或控制器上启动按钮即可按规定程序启动灭火系统释放灭火剂,实施灭火。在自动控制状态,仍可实现电气手动控制。
巅峰国际:
3.3 机械应急操作
当防护区发生火情,而控制器不能发出灭火指令时。应通知有关人员撤离现场,关闭联动设备,然后拔出相应电磁瓶头阀上的安全插销,操作手柄即可打开电磁阀,释放启动气体。启动气体打开选择阀、瓶头阀、释放灭火剂,实施灭火。
巅峰国际:
3.4 紧急停止操作
当火灾警报已发出,在延时时间内却发现有异常情况,不需启动灭火系统进行灭火时,可按下手动控制盒或控制器上的紧急停止按钮,即可阻止控制器灭火指令的发出。
巅峰国际:
巅峰国际:
巅峰国际:
4.系统动作程序方框图
巅峰国际:

巅峰国际:
巅峰国际:
巅峰国际:
5.系统操作规程
巅峰国际:
5.1 操作者应认真阅读本产品使用说明书,熟悉相关图纸资料。
巅峰国际:
5.2 本系统装置与自动报警灭火控制系统一起,组成完整的火灾报警灭火系统,具有自动、电气手动、机械应急手动三种控制方式。建议在无人的防护区采用自动控制方式,有人的防护区采用手动控制方式。
巅峰国际:
5.3 系统释放介质前,所有人员必须在延时期内撤离现场。释放完毕后,必须确认气体排出后,工作人员才能进入现场。
巅峰国际:
5.4 当需机械应急操作时,具体操作如下:

巅峰国际:
5.5 系统喷放后,应及时将选择阀、压力开关、单向阀、瓶头阀等复位,并更换有关零件。
巅峰国际:
巅峰国际:
巅峰国际:
6.维护保养
巅峰国际:
6.1 本系统是新型的高效灭火系统,自动化程度高,密封性能要求很严格,因此必须建立相应的维护保养制度,并由受过专业培训的人员负责进行经常性维护、检查,以保持良好的工作状态。
巅峰国际:
6.2 维护检查人员必须熟悉本装置的结构原理,工作性能,动作程序及各部件的结构原理,拆装工艺。必要时,可委托本公司进行定期维护和保养。
巅峰国际:
6.3 每周的维护保养工作
6.3.1检查启动气体储瓶的启动气体压力的压力表示值在正常储存温度环境下应处于压力表的绿色区范围内,否则应查明原因排除故障并予重新充压。
6.3.2 检查称重装置表面应无破损,并处于正常工作状态,否则应联系专业维修人员进行处理。
6.3.3 检查泄漏报警器应无报警信号,如有泄漏报警信号应联系专业维修人员查明报警原因并排除故障。
巅峰国际:
6.4 每月的维护保养工作
6.4.1 对灭火剂储瓶组件、启动气体储瓶组件、选择阀、液流单向阀、金属软管(连接管)、集流管、气流单向阀、启动管路、系统管网与喷嘴等全部零部件进行外观检查,应无碰撞变形及其它机械性损伤,表面应无锈蚀,保护涂层(油漆层、镀铬层、镀锌层等)应完好,否则应及时保养;零部件如有碰撞变形及其它机械性损伤,应联系专业维修人员进行更换。
6.4.2 系统所有铭牌应清晰,安全标志应完整,否则需完善。
6.4.3 检查电磁瓶头阀、瓶头阀、选择阀及压力开关等部件应处于正常状态,如有动作过,或铅封无完好,应查明原因恢复其正常状态。
巅峰国际:
6.5 每季的维护保养工作
6.5.1 检查灭火剂输送管道和吊架、及称重装置等的固定应无松动。
6.5.2 金属软管(连接管)应无变形、裂纹及老化。
6.5.3 各管道及喷嘴孔口应无堵塞。
巅峰国际:
6.6 每年的维护保养工作(由专业维修人员进行)
6.6.1 从电磁瓶头阀上卸下电磁铁,用自身的灭火控制线路进行通电,应启动正常。无异常现象方可继续使用。(为防止系统意外喷放,此时应先将启动管路与启动气瓶脱开)
6.6.2 检查灭火剂输送管道,如有损伤与堵塞现象,应对其进行气密性试验和吹扫。
6.6.3 对每个防护区进行一次模拟自动启动试验。
6.6.4 以上工作进行后,应对整个系统进行全面维护、保养,保证系统处于正常工作状态。
巅峰国际:
6.7 每三年应对金属软管(连接管)进行水压强度试验和气密性试验,性能合格方可继续使用,如发现老化现象,应进行更换。
巅峰国际:
6.8 灭火剂储瓶、启动气体储瓶的使用、管理及定期检验应按照国家《气瓶安全监察规程》的要求执行。
巅峰国际:
6.9 本系统灭火启用后,应将下列部件复位,使其工作正常,方可继续使用。
(a) 控制器(按现场安装设备厂家提供的使用说明书);
(b)压力开关;
(c)启动钢瓶重新充装压缩空气,充装压力为模拟压力(实际为8.0MPa);
(d)动作过的选择阀;
(e) 瓶头阀;
(f) 按设计要求重新充装介质;
(g) 所有金属软管(连接管)和启动管路的各连接处,必须安装正确,保证密封。
巅峰国际:
6.10 系统启动复位后应确保系统复位到正常工作状态。
巅峰国际:
6.11 保养、检查、维修、试验必须进行详细记录,建立系统设备使用技术档案。
巅峰国际:
巅峰国际:
巅峰国际:
7. 系统主要零部件
巅峰国际:
7.1 瓶头阀 EP12/150A
7.1.1 结构示意(见下图)
巅峰国际:

巅峰国际:
7.1.2 主要性能参数

7.1.3 用途
瓶头阀安装在灭火剂储瓶上,用以密封储瓶内的灭火剂。火灾时,一般由启动气体将瓶头阀打开,释放灭火剂,实施灭火。
7.1.4 使用维护说明
7.1.4.1瓶头阀上装有固定套(如上图所示),是为了防止在运输、安装和调试过程中,因碰撞、震动使瓶头阀手柄松动,引起瓶头阀泄漏或误动作而设置的。在现场安装完毕,投入使用前必须将固定套拆除,否则将破坏瓶头阀并引起危险。
7.1.4.2瓶头阀具有气体启动和机械手动两种开启方式。气体启动由启动气体推动驱动缸中的活塞杆,顶开瓶头阀手柄,开启瓶头阀;机械手动是人工扳动瓶头阀手柄,开启瓶头阀,该方式在紧急情况下采用。
7.1.4.3瓶头阀上装有安全膜片,是为了防止灭火剂储瓶内压力过高,而采取泄压释放,以保护储瓶安全。通常情况下,安全膜片不会动作,只有在异常情况下(如充装压力过高、环境温度过高),有可能爆破动作。安全膜片动作且储瓶泄压后,应立即更换安全膜片,并进行密封性试验,再充装灭火剂。
更换膜片时,须采用由本公司提供的与原膜片型号、规格安全相同,且经试验合格的膜片,不能随意代用。
7.1.4.4充装灭火剂时,灭火剂充装口(如上图所示)与气源相接,旋松压紧螺钉即可充装。充装完毕后,必须先旋紧压紧螺钉,再拆除充装接头。灭火剂充装应由专业人员进行。
7.1.4.5瓶头阀动作后,应经人工复位,检查无异常情况,方可继续使用。
巅峰国际:
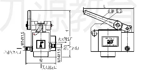
7.2 电磁瓶头阀
7.2.1 主要性能参数:


7.2.2 用途
电磁瓶头阀安装在启动气体储瓶上,用以密封启动瓶内的启动气体。火灾时,控制器发出灭火指令,激发电磁瓶头阀内的电磁铁动作,打开电磁瓶头阀,释放启动气体,启动气体通过启动管路打开相应的选择阀和瓶头阀,释放灭火剂,实施灭火。
7.2.3 使用维护说明
PDC8电磁瓶头阀上装有止动挡片(如上图所示),是为了防止在运输、安装和调试过程中,因碰撞、震动,引起电磁瓶头阀泄漏或误动作而设置的。在现场安装完毕,投入使用前必须抽出止动挡片到位后并用螺钉紧固,否则会导致阀门不能启动或发生损坏。
电磁瓶头阀具有电启动和机械手动两种开启方式。电启动由控制器发出开阀指令,使电磁铁动作,打开电磁瓶头阀;机械手动是手动拔除插销,向上扳动手柄,打开电磁瓶头阀。在机械手动之前应拔除插销,否则将不能实施机械手动。
7.2.4电磁瓶头阀装有压力表,显示瓶内启动气体压力。当压力表示值低于绿色区时,应重新充装启动气体。
7.2.5充装启动气体
PDC8电磁瓶头阀充装启动气体时,直接与电磁瓶头阀的出口连接即可进行,其连接螺纹为M14×1.5(外螺纹)。充装完毕后,电磁瓶头阀可自动复位密封。
巅峰国际:
7.3 选择阀ZX25/150
7.3.1 结构

7.3.2主要性能参数

7.3.3用途
选择阀安装在集流管上,进口与集流管连接,出口与灭火剂输送管道连接。选择阀主要用于组合分配系统中控制灭火剂流动方向,保证灭火剂进入发生火灾的保护区。
选择阀平时关闭。火灾发生时,启动气体进入选择阀驱动缸,推动缸内活塞,通过连杆机构动作,使选择阀压臂敞开,此时选择阀已处于开启状态。接着启动气体又打开瓶头阀,释放灭火剂,通过选择阀送入保护区,实施灭火。
7.3.4 使用维护说明
(a)需手动打开阀门时,应压下手柄,敞开压臂,即可开启选择阀。
(b) 选择阀动作后,应经人工复位,检查无异常情况,方可继续使用。
巅峰国际:
7.4 自锁压力开关ZKS2/150
7.4.1 结构示意(见下图)
巅峰国际:

巅峰国际:
7.4.2 主要性能参数

巅峰国际:
7.4.3 用途
压力开关在组合分配系统中安装在选择阀下游的出管组件上,在单元独立系统中安装在集流管上。释放灭火剂使其动作,向灭火报警控制器发出反馈信号,通知瓶头阀已打开,灭火剂已释放至相应保护区。
7.4.4 使用维护说明
当压力开关动作后,顶部复位压帽将向上凸出2cm左右。复位时需将压帽压下。复位后,方可继续使用。
巅峰国际:
7.5 称重机构
7.5.1 结构示意(见下图)

7.5.2原理:
称重机构主要由称重装置(弹簧秤)与连接件等组成,当钢瓶泄漏量超过10%药剂量时,弹簧片1触动微动开关触点4(正常状态常开,钢瓶泄漏达到规定值时常闭),蜂鸣器闭合,发出声光报警信号。
7.5.3称重机构的预调
7.5.3.1所有瓶组的失重报警电路为并联
联接,电压为DC12V,所有接线应接
牢固,正确。任意触点开关Sn闭合后
均应立即报警(n为称重机构任意瓶组
数)报警接线图如下图所示:

巅峰国际:
7.5.3.2调试:
a.松开保护架2上的可调螺钉3。
b.移动保护架来调整微动开关触点4与弹簧片1之间的距离d1,调试后应确保钢瓶被提升(可用弹簧秤)10%药剂重时,弹簧片4刚好触动微动开关触点1,蜂鸣器发出报警信号(声光报警),此时紧固保护架2上的可调螺钉3。(为报警精确灵敏,可调试多次后紧固可调螺钉)
c.提升钢瓶使弹簧片4刚好触动微动开关触点1,蜂鸣器发出报警信号此时转动保护螺母5与称重装置下端接触,目的是调节保护距离d2使其稍大于弹簧片与微动开关间距离d1,以保护弹簧片及微动开关。
d.并紧保护螺母上的止动螺钉。
l 因微动开关极易损坏,影响报警,在安装操作过程中请注意保护微动开关。
巅峰国际:
7.6 启动瓶框架
7.6.1 结构
7.6.2主要参数

巅峰国际:
7.6.3 用途
启动气体储瓶框架用来固定启动气体储瓶。
7.6.4 安装说明
框架安装时,应打地脚螺栓,以免震动和移动。
巅峰国际:
7.7 灭火剂储瓶框架
7.7.1 结构示意(见下图)

巅峰国际:
7.7.2 主要结构参数

巅峰国际:
7.7.3 用途
灭火剂储瓶框架由角钢制成,用于固定灭火剂储瓶,安放集流管。
巅峰国际:
7.7.4 安装说明
框架安装时,应打地脚螺栓固定,以防装置倾倒、震动或移位。